- Код товара020469
- ПроизводительArlight
- Страна изготовленияРоссия
- СерияSL-LINIA49-F-2500 ANOD+OPAL
- Вес3.147 кг
190
9 904 р
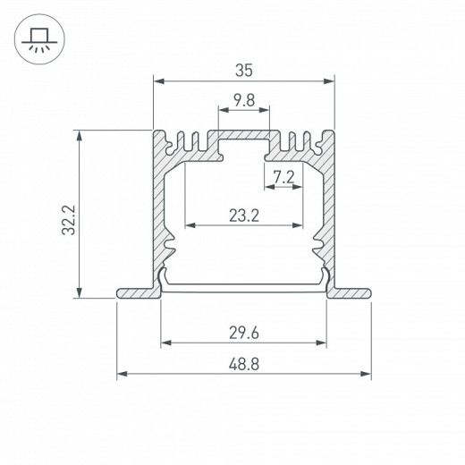
- Размеры, мм2500x49
- Материал арматурыметалл
- Цвет арматурыопал
- Все характеристики
Размеры
- Размеры, мм2500x49
Цвет и материал
- Материал арматурыметалл
- Цвет арматурыопал
Электрические характеристики
- Максимальная мощность нагрузки, Вт0.0000
Условия применения
- Диапазон рабочих температур+1-[+35]
Остальные характеристики
- ВидКомплектующие для модульных светильников,Профили
- Дополнительные параметрыКомплект с экраном. Встраиваемый профиль в комплекте с матовым экраном. Анодированный алюминий. Длина 2500мм, ширина 49мм (с фланцем). Цена за комплект 2,5м. Заглушки и держатели отдельно. Паз для установки 35х30.6 мм.
- Наименование на ЯндексеПрофиль
- Объем упаковки, куб. м0.00392
- Основной цветразноцветная
- СерияSL-LINIA49-F-2500 ANOD+OPAL
Отзывов: 0
Нет отзывов об этом товаре.
Вопросов: 0
Пока нет вопросов об этом товаре. Станьте первым!
Вы недавно смотрели
